Okovi za vrata (Alu - Brave usadne)

Početna / Okovi za vrata/ALU/Brave usadne/70677

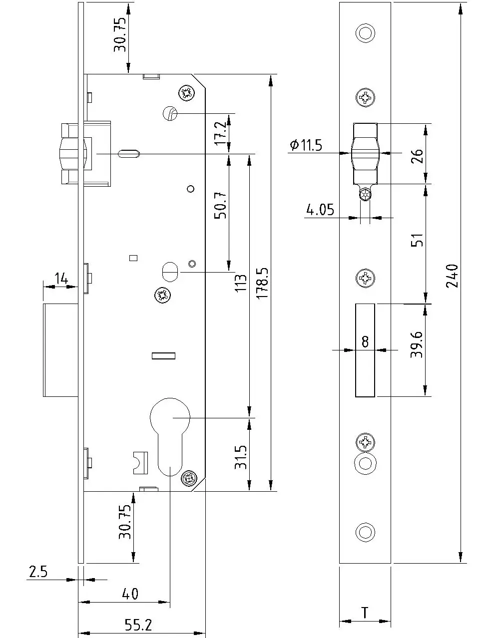
Brava za metalna vrata sa valjkom - 70677 70678 70679

Kratak Opis

  • Brava za metalna vrata sa valjkom 40/22/22 mm
  • Četvrtka 8x8
  • Pocinkovano čelo otporno na koroziju ili inox celo
  • Svaka brava upakovana u specijalno dizajnirane kutije
  • Standardna varijanta
Opis Proizvoda
Usadne brave za Aluminijumska vrata su proizvodi iz oblasti okova za stolariju, koji se koriste u širokoj primeni u skoro svim državama. Svi delovi koji se nalaze u ovim bravama su specijalno dizajnirani kako bi se sigurnost korisnika stavila na maksimalni nivo. Brave su testirane u internoj laboratoriji koju poseduje naša firma, a rezultati su sledeci:
Završna, žaštitna obrada se radi cinkovanjem. Koristi se najsavremenija hemija radi očuvanja životne sredine, a tehnologija cinkovanja "tri-coat" koju koristimo u našoj firmi se primenjuje i u državama EU, i garantuje kvalitet pocinkovanih delova.
Tehničke informacije
PDF Uputstvo
Način pakovanja
Pojedinačno 1 kom u kutiji
Zbirno u kutiji po 20 kom

O nama

Firma VABIS je nastala 1987. godine u Aleksincu. Velikim angažovanjem vlasnika firme i svih radnika, od male zanatske radionice razvili smo fabriku sa 80 zaposlenih.

Novosti

Ukoliko želite da Vas obaveštavamo o najnovijim proizvodima i promenama upišite email adresu ispod